所在位置:首页 > 信号指示灯
AD103-22E(S)/□□

* 产品介绍

|
|||||||
|
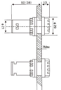
说明 1、在第1处“■”处填写颜色代码,在第2处“■”处填写电压等级代码 2、AD103-22E总长度约为63,AD103-22ES为超短型,总长度约为51。 3、因散热条件关系,超短型指示灯没有DC220V电压等级。 4、型号举例: 红色,AC DC24V信号灯:AD103-22E/R23 绿色,AC220V超短型信号灯:AD103-22ES/G31 |
|||||||
上一个:AD103-22D(S)/□□
下一个:AD103-22F/□□

