所在位置:首页 > 信号指示灯
AD103-22FM/□□□

* 产品介绍

| 产品系列 | 规格代号 | 颜色代码 | 电压代码 | 特性代码 |
| AD103-22 | FM | /■ | ■ | ■ |
|
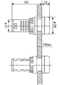
AD103-22 系列信号灯 |
蜂鸣器 |
R:红色 G:绿色 Y:黄色 W:白色 B:蓝色 K:黑色 |
21:AC DC6V 22:AC DC12V 23:AC DC24V 24:AC DC36V 25:AC DC48V 26:AC DC110V 27:AC DC127V 28:DC 220V 31:AC 220V 32:AC 380V |
A:连续 B:间断 |
说明
1、在第1个“■”处填写颜色代码,第2个“■”处填写电压等级代码,第3个“■”处填写特性代码。
2、型号举例:
红色,AC DC24V,连续蜂鸣器:AD103-22FM/R23A
黄色,AC380V,间断蜂鸣器:AD103-22FM/Y32B
上一个:AD103-H(S)/□□
下一个:AD103-22SM/□□

