所在位置:首页 > 信号指示灯

英飞尼特(中国)有限公司
Tel:4006-818-169 400-050-2772

AD103-22D/K□□

* 产品介绍

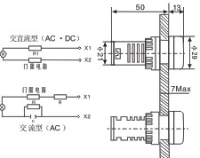
型号 AD103-22D/K■  抗干扰信号灯
颜色代码

红—R、绿—G、黄—Y、白—W、蓝—B

电压代码

21-DC.AC 6V
22-DC.AC 12V
23-DC.AC 24V
24-DC.AC 36V
25-DC.AC 48V
26-DC.AC 110V
27-DC.AC 127V
28-DC 220V
31-AC 220V
32-AC 380V

说明

1、在第1处“”处填写颜色代码,在第2处“”处填写电压等级代码

2、抗干扰门限电压一般为20%Us,如需其他电压,请在下单时注明。

3、型号举例:

红色,AC DC24V抗干扰信号灯:AD103-22D/KR23

绿色,AC220V抗干扰信号灯:AD103-22D/KG31

 

上一个:AD103-22SM/□□
下一个:AD103-22D/T□□

英飞尼特(中国)有限公司
地址:中国徐州国家大学生创业园区
电话: 0516-83893599
全国统一客服: 4006-818-169
邮箱:info@enfiniter.com
产品分类
编码器
传感器
控制类产品
工业接线技术
低压配电产品
电气附件
新能源产品
服务与支持
技术支持
卓越服务
新闻与活动
Copyrights © 2035 All Rights Reserved by ENFINITER Germany Inc.  
苏ICP备2021022114号-1