所在位置:首页 > 信号指示灯
AD103-22W/G RG□

* 产品介绍

| 产品系列 | 规格代号 | 指示功能 | 发光颜色 | 电压代码 |
| AD103-22 | W | /G | RG | ■ |
|
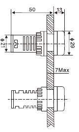
AD103-22 系列信号灯 |
位置指示灯 |
隔离刀闸位置指示 头部为圆形白色 |
X0X1通电时发红光 X0X2通电时发绿光 |
21:AC DC6V 22:AC DC12V 23:AC DC24V 24:AC DC36V 25:AC DC48V 26:AC DC110V 27:AC DC127V 28:DC 220V 31:AC 220V 32:AC 380V |
说明
1、在“■”处填写电压等级代码。
2、型号举例:
AC 220V,圆形白色隔离刀闸位置指示灯:AD103-22W/G RG31
AC 380V,圆形白色隔离刀闸位置指示灯:AD103-22W/G RG32
上一个:AD103-22W□N/RG□
下一个:AD103-22W/D RG□

